Product Summary
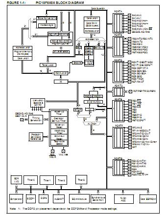
The PIC18LF6680-I/PT is a High-Performance, 64-Kbyte Enhanced Flash Microcontroller with ECAN Module. It is available in 64-pin TQFP and 68-pin PLCC packages.
Parametrics
PIC18LF6680-I/PT absolute maximum ratings: (1)Ambient temperature under bias:-55℃ to +125℃; (2)Storage temperature:-65℃ to +150℃; (3)Voltage on any pin with respect to VSS (except VDD, MCLR, and RA4):-0.3V to (VDD + 0.3V); (4)Voltage on VDD with respect to VSS:-0.3V to +5.5V; (5)Voltage on MCLR with respect to VSS:0V to +13.25V; (6)Voltage on RA4 with respect to Vss:0V to +8.5V; (7)Total power dissipation:1.0W; (8)Maximum current out of VSS pin:300 mA; (9)Maximum current into VDD pin:250 mA; (10)Input clamp current, IIK (VI < 0 or VI > VDD):±20 mA; (11)Output clamp current, IOK (VO < 0 or VO > VDD):±20 mA; (12)Maximum output current sunk by any I/O:25 mA; (13)Maximum output current sourced by any I/O pin:25 mA; (14)Maximum current sunk by all ports:200mA; (15)Maximum current sourced by all ports:200 mA.
Features
PIC18LF6680-I/PT features: (1)High current sink/source 25 mA/25 mA; (2)Four external interrupt pins; (3)Timer0 module: 8-bit/16-bit timer/counter ; (4)Timer1 module: 16-bit timer/counter ; (5)Timer2 module: 8-bit timer/counter ; (6)Timer3 module: 16-bit timer/counter ; (7)Secondary oscillator clock option-Timer1/Timer3; (8)Up to 16-channel, 10-bit Analog-to-Digital ; (9)Converter module (A/D) with: Fast sampling rate, Programmable acquisition time, Conversion available during Sleep; (10)Programmable 16-level Low-Voltage Detection (LVD) module: Supports interrupt on Low-Voltage Detection; (11)Programmable Brown-out Reset (BOR); (12)Dual analog comparators: Programmable input/output configuration; (13)Three dedicated transmit buffers with prioritization; (14)Two dedicated receive buffers; (15)Six programmable receive/transmit buffers; (16)Three full 29-bit acceptance masks; (17)16 full 29-bit acceptance filters with dynamic association; (18)DeviceNet data byte filter support; (19)Automatic remote frame handling; (20)Advanced Error Management features; (21)100,000 erase/write cycle Enhanced Flash program memory typical; (22)1,000,000 erase/write cycle Data EEPROM memory typical; (23)1-second programming time; (24)Flash/Data EEPROM Retention: > 40 years; (25)Self-reprogrammable under software control; (26)Power-on Reset (POR), Power-up Timer (PWRT) and Oscillator Start-up Timer (OST); (27)Watchdog Timer (WDT) with its own On-Chip RC Oscillator; (28)Programmable code protection; (29)Power saving Sleep mode.
Diagrams

| Image | Part No | Mfg | Description | ![]() |
Pricing (USD) |
Quantity | ||||||
|---|---|---|---|---|---|---|---|---|---|---|---|---|
![]() |
![]() PIC18LF6680-I/PT |
![]() Microchip Technology |
![]() 8-bit Microcontrollers (MCU) 64KB 3328 RAM 52I/O |
![]() Data Sheet |
![]()
|
|
||||||
![]() |
![]() PIC18LF6680-I/PTG |
![]() Microchip Technology |
![]() 8-bit Microcontrollers (MCU) 64kBF 3328RM 52 I/O Lead Free Package |
![]() Data Sheet |
![]() Negotiable |
|
||||||
(China (Mainland))









