Product Summary
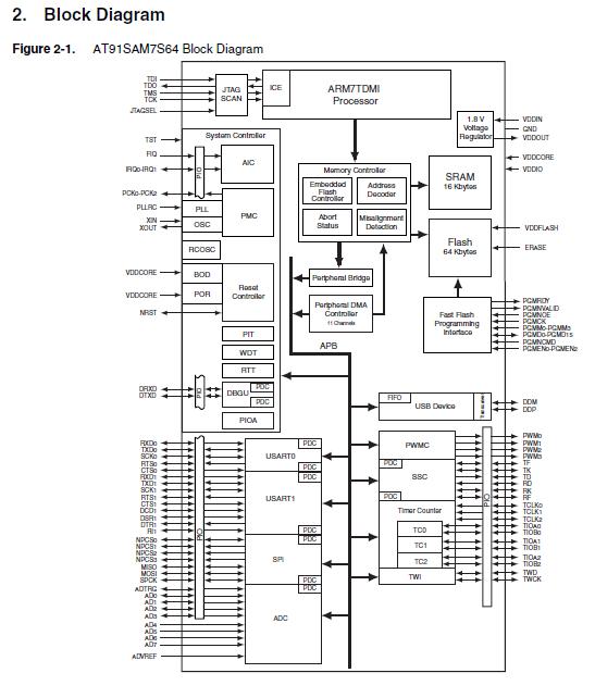
The Atmel’s AT91SAM7S64-AU is a low pincount Flash microcontroller based on the 32-bit ARM RISC processor. It features a 64 Kbyte high-speed Flash and a 16 Kbyte SRAM, a large set of peripherals, including a USB 2.0 device, and a complete set of system functions minimizing the number of external components. The AT91SAM7S64-AU is an ideal migration path for 8-bit microcontroller users looking for additional performance and extended memory.
Parametrics
AT91SAM7S64-AU absolute maximum ratings: (1)Operating Temperature (Industrial): -40℃ to + 85℃; (2)Storage Temperature: -60℃ to + 150℃; (3)Voltage on Input Pins with Respect to Ground: -0.3V to + 5.5V; (4)Maximum Operating Voltage (VDDCORE, and VDDPLL): 1.95V; (5)Maximum Operating Voltage (VDDIO, VDDIN and VDDFLASH): 3.6V; (6)Total DC Output Current on all I/O lines: 150 mA.
Features
AT91SAM7S64-AU features: (1)Incorporates the ARM7TDMI ARM Thumb Processor: High-performance 32-bit RISC Architecture, High-density 16-bit Instruction Set; (2)16 Kbytes of Internal High-speed SRAM, Single-cycle Access at Maximum Speed; (3)Memory Controller (MC): Embedded Flash Controller, Abort Status and Misalignment Detection; (4)Reset Controller (RSTC): Based on Power-on Reset and Low-power Factory-calibrated Brownout Detector, Provides External Reset Signal Shaping and Reset Source Status; (5)Clock Generator (CKGR): Low-power RC Oscillator, 3 to 20 MHz On-chip Oscillator and one PLL.
Diagrams

| Image | Part No | Mfg | Description | ![]() |
Pricing (USD) |
Quantity | ||||
|---|---|---|---|---|---|---|---|---|---|---|
![]() |
![]() AT91SAM7S64-AU-001 |
![]() Atmel |
![]() ARM Microcontrollers (MCU) LQFP IND TEMP |
![]() Data Sheet |
![]() Negotiable |
|
||||
![]() |
![]() AT91SAM7S64-AU-999 |
![]() Atmel |
![]() ARM Microcontrollers (MCU) Microcontroller |
![]() Data Sheet |
![]() Negotiable |
|
||||
(China (Mainland))










