Product Summary
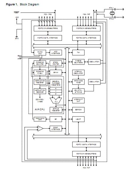
The ATMEGA8-16AU is a low-power CMOS 8-bit microcontroller based on the AVR RISC architecture. By executing powerful instructions in a single clock cycle, the ATMEGA8-16AU achieves throughputs approaching 1 MIPS per MHz, allowing the system designer to optimize power consumption versus processing speed. The ATMEGA8-16AU is manufactured using Atmel’s high density non-volatile memory technology. The Flash Program memory can be reprogrammed In-System through an SPI serial interface, by a conventional nonvolatile memory programmer, or by an On-chip boot program running on the AVR core.
Parametrics
ATMEGA8-16AU absolute maximum ratings: (1)Operating Temperature:-55℃ to +125℃; (2)Storage Temperature:-65℃ to +150℃; (3)Voltage on any Pin except RESET with respect to Ground:-0.5V to VCC+0.5V; (4)Voltage on RESET with respect to Ground:-0.5V to +13.0V; (5)Maximum Operating Voltage:6.0V; (6)DC Current per I/O Pin:40.0 mA; (7)DC Current VCC and GND Pins:300.0 mA.
Features
ATMEGA8-16AU features: (1)131 Powerful Instructions – Most Single-clock Cycle Execution; (2)32 x 8 General Purpose Working Registers; (3)Fully Static Operation; (4)Up to 16 MIPS Throughput at 16 MHz; (5)On-chip 2-cycle Multiplier; (6)16K Bytes of In-System Self-programmable Flash program memory; (7)1024 Bytes EEPROM; (8)2K Byte Internal SRAM; (9)Write/Erase Cycles: 10,000 Flash/100,000 EEPROM; (10)Data retention: 20 years at 85℃/100 years at 25℃; (11)Optional Boot Code Section with Independent Lock Bits In-System Programming by On-chip Boot Program True Read-While-Write Operation; (12)Programming Lock for Software Security; (13)Boundary-scan Capabilities According to the JTAG Standard; (14)Extensive On-chip Debug Support; (15)Programming of Flash, EEPROM, Fuses, and Lock Bits through the JTAG Interface; (16)Two 8-bit Timer/Counters with Separate Prescalers and Compare Modes; (17)One 16-bit Timer/Counter with Separate Prescaler, Compare Mode, and Capture Mode; (18)Real Time Counter with Separate Oscillator; (19)Four PWM Channels; (20)8-channel, 10-bit ADC; (21)Byte-oriented Two-wire Serial Interface; (22)Programmable Serial USART; (23)Master/Slave SPI Serial Interface; (24)Programmable Watchdog Timer with Separate On-chip Oscillator; (25)On-chip Analog Comparator; (26)Power-on Reset and Programmable Brown-out Detection; (27)Internal Calibrated RC Oscillator; (28)External and Internal Interrupt Sources; (29)Six Sleep Modes: Idle, ADC Noise Reduction, Power-save, Power-down, Standby and Extended Standby.
Diagrams

| Image | Part No | Mfg | Description | ![]() |
Pricing (USD) |
Quantity | ||||||||||||
|---|---|---|---|---|---|---|---|---|---|---|---|---|---|---|---|---|---|---|
![]() |
![]() ATmega8-16AU |
![]() Atmel |
![]() 8-bit Microcontrollers (MCU) 8kB Flash 0.5kB EEPROM 23 I/O Pins |
![]() Data Sheet |
![]()
|
|
||||||||||||
![]() |
![]() ATMEGA8-16AUR |
![]() Atmel |
![]() 8-bit Microcontrollers (MCU) AVR 8KB FLSH 512B EE 1KB SRAM-16MHz, IND |
![]() Data Sheet |
![]()
|
|
||||||||||||
(China (Mainland))










