Product Summary
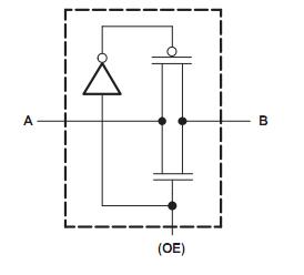
The SN74CBTLV1G125DBVR is a low-voltage single fet bus switch. It features a single high-speed line switch. The SN74CBTLV1G125DBVR is disabled when the output-enable(OE) input is high. This device is fully specified for partial-power-down applications using I off. The I off feature ensures that damaging current will not backflow through the device when it is powered down. The SN74CBTLV1G125DBVR has isolation during power off. To ensure the high-impedance state during power up or power down, OE should be tied to V CC through a pullup resistor; the minimum value of the resistor is determined by the current-sinking capability of the driver.
Parametrics
SN74CBTLV1G125DBVR absolute maximum ratings: (1)Supply voltage range:-0.5V to 4.6V; (2)Input voltage range:-0.5V to 4.6V; (3)Continuous channel current:128V; (4)Input clamp current:-50mA; (5)Package thermal impedance:206℃/W; (6)Storage temperature range:-65℃ to 150℃.
Features
SN74CBTLV1G125DBVR features: (1)5-Ω Switch Connection Between Two Ports; (2)Ioff Supports Partial-Power-Down Mode; (3)Operation Rail-to-Rail Switching on Data I/O Ports.
Diagrams

| Image | Part No | Mfg | Description | ![]() |
Pricing (USD) |
Quantity | ||||||||||||
|---|---|---|---|---|---|---|---|---|---|---|---|---|---|---|---|---|---|---|
![]() |
![]() SN74CBTLV1G125DBVR |
![]() Texas Instruments |
![]() Digital Bus Switch ICs LV Single FET |
![]() Data Sheet |
![]()
|
|
||||||||||||
| Image | Part No | Mfg | Description | ![]() |
Pricing (USD) |
Quantity | ||||||||||||
![]() |
![]() SN7400 |
![]() Other |
![]() |
![]() Data Sheet |
![]() Negotiable |
|
||||||||||||
![]() |
![]() SN7400D |
![]() Texas Instruments |
![]() Gates (AND / NAND / OR / NOR) Quad 2-input Positive-NAND gates |
![]() Data Sheet |
![]()
|
|
||||||||||||
![]() |
![]() SN7400DE4 |
![]() Texas Instruments |
![]() Gates (AND / NAND / OR / NOR) Quad 2-input Positive-NAND gates |
![]() Data Sheet |
![]()
|
|
||||||||||||
![]() |
![]() SN7400DG4 |
![]() Texas Instruments |
![]() Gates (AND / NAND / OR / NOR) Quad 2-input Pos- NAND |
![]() Data Sheet |
![]()
|
|
||||||||||||
![]() |
![]() SN7400DR |
![]() |
![]() IC QUAD 2IN POS-NAND GATE 14SOIC |
![]() Data Sheet |
![]() Negotiable |
|
||||||||||||
![]() |
![]() SN7400DRE4 |
![]() |
![]() IC QUAD 2IN POS-NAND GATE 14SOIC |
![]() Data Sheet |
![]() Negotiable |
|
||||||||||||
(China (Mainland))










