Product Summary
The TMS320F28335PGFA is a highly integrated, high-performance Digital Signal Controller for demanding control applications.
Parametrics
TMS320F28335PGFA absolute maximum ratings: (1)Supply voltage range, VDDIO, VDD3VFL: - 0.3 V to 4.6 V with respect to VSS; (2)Supply voltage range, VDDA2, VDDAIO: - 0.3 V to 4.6 V with respect to VSSA; (3)Supply voltage range, VDD: - 0.3 V to 2.5 V with respect to VSS; (4)Supply voltage range, VDD1A18, VDD2A18: - 0.3 V to 2.5 V with respect to VSSA; (5)Supply voltage range, VSSA2, VSSAIO, VSS1AGND, VSS2AGND: - 0.3 V to 0.3 V with respect to VSS; (6)Input voltage range, VIN: - 0.3 V to 4.6 V; (7)Output voltage range, VO: - 0.3 V to 4.6 V; (8)Input clamp current, IIK (VIN < 0 or VIN > VDDIO): ± 20 mA; (9)Output clamp current, IOK (VO < 0 or VO > VDDIO): ± 20 mA; (10)Operating ambient temperature ranges, TA: A version: - 40℃ to 85℃; (11)Junction temperature range, Tj: - 40℃ to 150℃; (12)Storage temperature range, Tstg: - 65℃ to 150℃.
Features
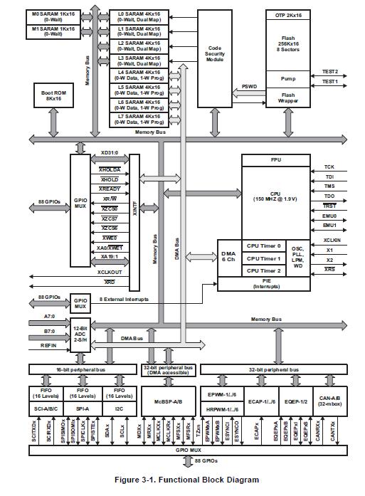
TMS320F28335PGFA features: (1)High-Performance Static CMOS Technology: Up to 150 MHz (6.67-ns Cycle Time), 1.9-V Core, 3.3-V I/O Design; (2)High-Performance 32-Bit CPU (TMS320C28x): IEEE-754 Single-Precision Floating-Point Unit (FPU), 16 x 16 and 32 x 32 MAC Operations, 16 x 16 Dual MAC, Harvard Bus Architecture; (3)Six Channel DMA Controller (for ADC, McBSP, XINTF, and SARAM); (4)16-bit or 32-bit External Memory Interface (XINTF); (5)Boot ROM (8K x 16): With Software Boot Modes (via SCI, SPI, CAN, I2C, McBSP, XINTF, and Parallel I/O), Standard Math Tables.
Diagrams

| Image | Part No | Mfg | Description | ![]() |
Pricing (USD) |
Quantity | ||||||||||||
|---|---|---|---|---|---|---|---|---|---|---|---|---|---|---|---|---|---|---|
![]() |
![]() TMS320F28335PGFA |
![]() Texas Instruments |
![]() Digital Signal Processors & Controllers (DSP, DSC) Digital Signal Controller |
![]() Data Sheet |
![]()
|
|
||||||||||||
| Image | Part No | Mfg | Description | ![]() |
Pricing (USD) |
Quantity | ||||||||||||
![]() |
![]() TMS3112 |
![]() Other |
![]() |
![]() Data Sheet |
![]() Negotiable |
|
||||||||||||
![]() |
![]() TMS3121 |
![]() Other |
![]() |
![]() Data Sheet |
![]() Negotiable |
|
||||||||||||
![]() |
![]() TMS320 |
![]() Other |
![]() |
![]() Data Sheet |
![]() Negotiable |
|
||||||||||||
![]() |
![]() TMS32010 |
![]() Other |
![]() |
![]() Data Sheet |
![]() Negotiable |
|
||||||||||||
![]() |
![]() TMS320AV7110 |
![]() Other |
![]() |
![]() Data Sheet |
![]() Negotiable |
|
||||||||||||
![]() |
![]() TMS320BC51PQ100 |
![]() Texas Instruments |
![]() Digital Signal Processors & Controllers (DSP, DSC) TMS320C51PQ - 132QFP - 100MHZ/BOOT CODE |
![]() Data Sheet |
![]() Negotiable |
|
||||||||||||
(China (Mainland))










