Product Summary
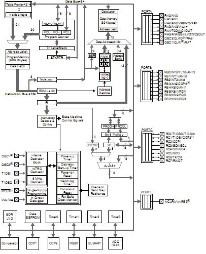
The PIC18F2620-I/SO is an Enhanced Flash Microcontroller. It offers the advantages of all PIC18 microcontrollers with the addition of high endurance, Enhanced Flash program memory. On top of these features, the PIC18F2620-I/SO introduces design enhancements that make the microcontroller a logical choice for many high-performance, power sensitive applications.
Parametrics
PIC18F2620-I/SO absolute maximum ratings: (1)Ambient temperature under bias:-40℃ to +125℃; (2)Storage temperature:-65℃ to +150℃; (3)Voltage on any pin with respect to VSS (except VDD and MCLR):-0.3V to (VDD + 0.3V); (4)Voltage on VDD with respect to VSS:-0.3V to +7.5V; (5)Voltage on MCLR with respect to VSS:0V to +13.25V; (6)Total power dissipation:1.0W; (7)Maximum current out of VSS pin:300 mA; (8)Maximum current into VDD pin:250 mA; (9)Input clamp current, IIK (VI < 0 or VI > VDD):±20 mA; (10)Output clamp current, IOK (VO < 0 or VO > VDD):±20 mA; (11)Maximum output current sunk by any I/O:25 mA; (12)Maximum output current sourced by any I/O pin:25 mA; (13)Maximum current sunk by all ports:200mA; (14)Maximum current sourced by all ports:200 mA.
Features
PIC18F2620-I/SO features: (1)Four Crystal modes, up to 40 MHz; (2)4x Phase Lock Loop (PLL)- available for crystal and internal oscillators); (3)Two External RC modes, up to 4 MHz; (4)Two External Clock modes, up to 40 MHz; (5)High-current sink/source 25 mA/25 mA; (6)Three programmable external interrupts; (7)Four input change interrupts; (8)Up to 2 Capture/Compare/PWM (CCP) modules, one with Auto-Shutdown (28-pin devices); (9)Supports RS-485, RS-232 and LIN 1.2; (10)RS-232 operation using internal oscillator block (no external crystal required); (11)Auto-Wake-up on Start bit; (12)Auto-Baud Detect; (13)Dual analog comparators with input multiplexing; (14)Programmable 16-level High/Low-Voltage ; (15)Detection (HLVD) module: Supports interrupt on High/Low-Voltage Detection; (16)100,000 erase/write cycle Enhanced Flash program memory typical; (17)1,000,000 erase/write cycle Data EEPROM memory typical; (18)Flash/Data EEPROM Retention: 100 years typical; (19)Self-programmable under software control; (20)Priority levels for interrupts; (21)8 x 8 Single Cycle Hardware Multiplier; (22)Extended Watchdog Timer (WDT):Programmable period from 4 ms to 131s; (23)Single-supply 5V In-Circuit Serial Programming (ICSP) via two pins; (24)In-Circuit Debug (ICD) via two pins; (25)Wide operating voltage range: 2.0V to 5.5V; (26)Programmable Brown-out Reset (BOR) with software enable option.
Diagrams

| Image | Part No | Mfg | Description | ![]() |
Pricing (USD) |
Quantity | ||||||||||||
|---|---|---|---|---|---|---|---|---|---|---|---|---|---|---|---|---|---|---|
![]() |
![]() PIC18F2620-I/SO |
![]() Microchip Technology |
![]() 8-bit Microcontrollers (MCU) 64KB 3968 RAM 25 I/O |
![]() Data Sheet |
![]()
|
|
||||||||||||
| Image | Part No | Mfg | Description | ![]() |
Pricing (USD) |
Quantity | ||||||||||||
![]() |
![]() PIC1018SCL |
![]() Other |
![]() |
![]() Data Sheet |
![]() Negotiable |
|
||||||||||||
![]() |
![]() PIC10F200 |
![]() Other |
![]() |
![]() Data Sheet |
![]() Negotiable |
|
||||||||||||
![]() |
![]() PIC10F200-E/MC |
![]() Microchip Technology |
![]() 8-bit Microcontrollers (MCU) 384B Flash16B RAM 4 I/O |
![]() Data Sheet |
![]()
|
|
||||||||||||
![]() |
![]() PIC10F200-E/OT |
![]() Other |
![]() |
![]() Data Sheet |
![]() Negotiable |
|
||||||||||||
![]() |
![]() PIC10F200-E/P |
![]() Microchip Technology |
![]() 8-bit Microcontrollers (MCU) U 579-PIC10F200-I/P |
![]() Data Sheet |
![]() Negotiable |
|
||||||||||||
![]() |
![]() PIC10F200-I/MC |
![]() Microchip Technology |
![]() 8-bit Microcontrollers (MCU) 0.375KB Fl 16B RAM |
![]() Data Sheet |
![]()
|
|
||||||||||||
(China (Mainland))










