Product Summary
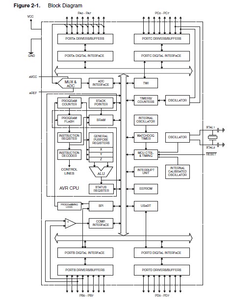
The ATMEGA16A-MU is a microcontroller with 16K bytes in-system programmable flash. The ATMEGA16A-MU is a low-power CMOS 8-bit microcontroller based on the AVR enhanced RISC architecture. By executing powerful instructions of the ATMEGA16A-MU in a single clock cycle, the ATMEGA16A-MU achieves throughputs approaching 1 MIPS per MHz allowing the system designer to optimize power consumption versus processing speed.
Parametrics
ATMEGA16A-MU absolute maximum ratings: (1)Storage Temperature: -65 to +150℃; (2)Voltage on any Pin except RESET with respect to Ground: -0.5V to VCC+0.5V; (3)Voltage on RESET with respect to Ground: -0.5V to +13.0V; (4)Maximum Operating Voltage: 6.0V; (5)DC Current per I/O Pin: 40.0 mA; (6)DC Current VCC and GND Pins: 200.0mA; (7)VINT Internal Voltage Reference: 2.3 to 2.9 V; (8)RREF Reference Input Resistance: 32 kΩ; (9)RAIN Analog Input Resistance: 100 MΩ.
Features
ATMEGA16A-MU features: (1)High-performance, Low-power AVR 8-bit Microcontroller; (2)Advanced RISC Architecture; (3)Power-on Reset and Programmable Brown-out Detection; (4)Internal Calibrated RC Oscillator; (5)External and Internal Interrupt Sources; (6)Six Sleep Modes: Idle, ADC Noise Reduction, Power-save, Power-down, Standby and Extended Standby.
Diagrams

| Image | Part No | Mfg | Description | ![]() |
Pricing (USD) |
Quantity | ||||||||||||
|---|---|---|---|---|---|---|---|---|---|---|---|---|---|---|---|---|---|---|
![]() |
![]() ATMEGA16A-MU |
![]() Atmel |
![]() 8-bit Microcontrollers (MCU) 16KB In-system Flash 2.7V - 5.5V |
![]() Data Sheet |
![]()
|
|
||||||||||||
![]() |
![]() ATMEGA16A-MUR |
![]() Atmel |
![]() 8-bit Microcontrollers (MCU) AVR 16KB FLASH 512B EE 1KB SRAM-16MHZ |
![]() Data Sheet |
![]()
|
|
||||||||||||
(China (Mainland))










